
- سرعت دربندی: 15-30 قطعه در دقیقه
- ولتاژ نامی: 110 × 60 هرتز (استاندارد ایالات متحده)
- قدرت دستگاه: 0.8 کیلووات
- آمپر: 2.2 آمپر
- ابعاد بیرونی: 2230*1460*1600 میلی متر (L*W*H))
- فشار هوا: 0.7 مگاپاسکال
- وزن: حدود 300 کیلوگرم
اعلان قبل از راه اندازی دستگاه درب بطری
1: قبل از اینکه دستگاه به برق وصل شود، مطمئن شوید که کلید برق در حالت بسته است و سپس دستورالعمل را دنبال کنید.
2: اگر دستگاه برای مدت طولانی کار نمی کند، باید با یک تکه پارچه خشک پاک شود و نباید با هیچ ماده تمیز کننده خورنده تمیز شود.
3: ریختن هرگونه مایع به داخل جعبه برق دستگاه اکیداً ممنوع است تا از خوردگی قطعات الکتریکی داخلی و ایجاد اتصال کوتاه جلوگیری شود.
4: با توجه به مدل های لیست بسته بندی تجهیزات، مشخصات و کمیت تجهیزات و مواد را بررسی کنید تا از مطابقت با الزامات طراحی و استانداردهای محصول و همراه با گواهی انطباق اطمینان حاصل کنید.
5: ظاهر تجهیزات را بررسی کنید تا از عاری بودن آن از هرگونه تغییر شکل، آسیب و خوردگی مطمئن شوید و تمام دوک ها باید به صورت انعطاف پذیر و بدون انسداد بچرخند.
6: این دستگاه تحت AC 110 ولت تک فاز کار می کند و دوشاخه برق 3 پایه تخت باید با سیم زمین به پریز برق وصل شود.
پارامترهای فنی

- سرعت دربندی: 15-30 قطعه در دقیقه
- ولتاژ نامی: 110 × 60 هرتز (استاندارد ایالات متحده)
- قدرت دستگاه: 0.8 کیلووات
- آمپر: 2.2 آمپر
- ابعاد بیرونی: 2230*1460*1600 میلی متر (L*W*H))
- فشار هوا: 0.7 مگاپاسکال
- وزن: حدود 300 کیلوگرم
ماشین دربندی با جزئیات:



ساختارهای ماشین

شرح چشم فیبر نوری
چشم الکتریکی برای تشخیص بطری ها:

هنگامی که در حالت اتوماتیک کار می کند، هدف این چشم برقی تشخیص بطری های ورودی است.
هنگامی که بطری ورودی تشخیص داده می شود، "میز گردان" می چرخد.
چشم برقی درب

هنگامی که در حالت اتوماتیک کار می کند، هدف این چشم الکتریکی تشخیص پوشش های ورودی است.
هنگامی که درب ورودی شناسایی می شود، "مکانیسم خارج کردن" برای گرفتن مواد بالا می رود.
چشم برقی درب

هنگامی که در حالت اتوماتیک کار می کند: هدف این چشم برقی تشخیص بطری های ورودی است.
هنگامی که بطری ورودی شناسایی می شود، "مکانیسم درپوش قفل" درپوش قفل را به سمت پایین می چرخاند.
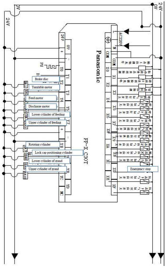
دکمه سوئیچ و پورت سیم کشی
صفحه نمایش لمسی و توقف اضطراری

کنترل کننده صفحه لرزش موتور و درب

کنترل کننده صفحه ارتعاش

کنترلر صفحه ویبره: با تنظیم ولتاژ، سرعت تخلیه را تنظیم کنید.
کلید برق و پریز

کنترل کننده موتور

ترانسفورماتور فرکانس: با تنظیم دکمه ترانسفورماتور فرکانس، دور موتور را تنظیم کنید.
روش هشدار و عیب یابی:
1. توقف اضطراری فشرده شده است. توقف های اضطراری را روی درپوش دستگاه و کنار صفحه نمایش لمسی فشار دهید.
2. خروجی به مقدار تنظیم شده می رسد. خروجی را تنظیم کنید، دکمه پاک کردن را فشار دهید تا خروجی فعلی پاک شود.
3. هنگامی که درپوش برای مدت طولانی شناسایی نمی شود، لطفا بررسی کنید. فیبر القایی درب بطری را بررسی کنید که آیا به خوبی ارائه شده است یا خیر. بررسی کنید که آیا درپوش ها در جای خود قرار دارند یا خیر.
4. هنگامی که بطری ها برای مدت طولانی شناسایی نمی شوند، لطفا بررسی کنید. بررسی کنید که آیا بطری ها در جای خود قرار دارند یا خیر.
تنظیم برقی چشم:
ساختار تقویت کننده

نمودار فیبر نوری:

1. نوار قفل فیبر نوری
2. نشانگر وضعیت عملیاتی
3. تنظیم کنید
4. چراغ نشانگر DSC
5. مانیتور دیجیتال
6. دکمه دستی
7. پوشش حفاظتی گسترده
8. رابط گسترش
9. کلید انتخاب قدرت
10. دکمه حالت
11. انتخابگر خروجی
12. کابل
13. محافظ گرد و غبار
14. مقدار را تنظیم کنید (به رنگ سبز)
15. مقدار فعلی (قرمز)
فرآیند کار برای تنظیم فیبر نوری
- هنگامی که چشم الکتریکی در شکاف می افتد، مقدار جریان قرمز 144 است.
- وقتی چشم برق روی برچسب می افتد، مقدار جریان قرمز 4 است.
- مقدار تنظیم شده را تنظیم کنید، حدود 1/2 مقداری که چشم الکتریکی روی کاغذ بدنه (در فاصله بین اجسام قابل تشخیص است) و مقداری که چشم الکتریکی روی کاغذ است، مقدار تنظیم شده (144) است. 4)/2=74، دکمه دستی را تنظیم کنید تا مقدار تنظیم شده 74 باشد.
- شکاف برچسب را در محل چشم برقی و "چراغ سیگنال/چراغ نشانگر" قرمز رنگ به جلو و عقب ببرید.
نمودار مدار



دستگاه درب بطری تعمیر و نگهداری

1. بررسی و نگهداری دستگاه برای طولانی شدن دستگاه و بهینه سازی عملکرد دستگاه ضروری است.
- ماشین کار باید هر سه ماه یکبار نگهداری شود.
- قسمت بلبرینگ و انتقال دنده باید با گریس روغن کاری شود.
- روغن کاری باید به صورت دوره ای انجام شود.
- روغن راه اسلاید (N68) باید به قسمت مانند حرکت مکانیزم رفت و برگشتی یا بلند کردن دو بار در روز اضافه شود.
- روغن خودرو (N68) باید به قسمت های چرخشی یا نوسانی اضافه شود.
- هر نیم ماه یکبار گریس را به شکاف بادامک اضافه کنید.
- هر ماه یک بار برای نازل روغن با اضافه کردن گریس.
2. هرگز از ابزارهای فلزی برای ضربه زدن یا خراش دادن به سطحی که در آن چسب روی قطعاتی مانند اجزا یا قالب جمع شده است استفاده نکنید.
3. اگر دستگاه برای مدت طولانی کار نمی کند، گریس را برای روغن کاری در قطعاتی مانند گیربکس یا قطعه بلبرینگ اضافه کنید. همچنین دستگاه را با محافظ ضد آب درمان کنید.
4. هرگز هیچ جسمی را روی دستگاه قرار ندهید که به دستگاه آسیب نرساند.
5. گرد و غبار داخل قطعات را به صورت دوره ای تمیز کنید، همچنین تمام پیچ ها را بررسی کنید و هر پیچی که شل شده است را ثابت کنید.
6. پیچ های ترمینال ها را برای سیم کشی در زمان مشخصی بررسی کنید و مطمئن شوید که پیچ ثابت است.
7. بررسی کنید که آیا ایستگاه شلی در مسیر سیم کشی کشیده شده از جعبه های برق وجود دارد یا خیر. اگر قطعه خیلی شل است، برای جلوگیری از ساییدگی یا آسیب در لایه عایق که ممکن است باعث نشتی برق شود، پیچ را دوباره ثابت کنید.
8. کتهای که به راحتی ساییده می شوند را بررسی کنید و آسیب دیده را به موقع عوض کنید.









