
- سرهای درپوش: 2 عدد رانندگی سروو موتور
- ولتاژ: 220 ولت، 50/60 هرتز
- قدرت: 3.0 کیلووات
- فشار هوا: 0.5-0.7 مگاپاسکال
- آمپر: 8.5 آمپر
- سرعت: 40-45 در دقیقه (سفارشی با توجه به شکل و اندازه شیشه ها)
- قطر محصول مناسب: درب φ28-φ125mm (سفارشی غیر استاندارد)
- میزان عبور غده: ≥99.5٪ (بسته به خطای درب و بطری)
- اندازه دستگاه: 3300*1150mm*1908mm
- وزن: 450 کیلوگرم
قبل از اینکه برق دستگاه را روشن کنید. لطفاً این دفترچه راهنما را برای مسائل ایمنی و استفاده صحیح از دستگاه به دقت بخوانید. برای جلوگیری از حوادث پرسنل و کاهش دفعات آسیب ماشین.
در مورد محصولات خورنده، مراقب باشید که از تماس یا پاشیدن اشیاء خورنده روی خود دستگاه و کارکنان جلوگیری کنید.
- از استفاده از دستگاه در مکان های در معرض لرزش یا برخورد خودداری کنید.
- هنگامی که دستگاه در حال کار است، بدن کارکنان نمی تواند قطعات متحرک را لمس کند.
- از ماشین در مکان های بسیار مرطوب اجتناب شود. و آن را به منبع تغذیه وارد کنید، سیم زمین را به درستی به زمین متصل کنید تا از تصادف ایمنی جلوگیری شود.
- اپراتور باید وضعیت فیزیکی و روانی طبیعی خود را حفظ کند، اگر الکل، قرص های خواب آور یا سایر داروهایی که برای وضعیت روانی شما مضر است مصرف می کنید، کار دستگاه را متوقف کنید.
- اپراتور باید لباس مناسب بپوشد تا از صدمات ناشی از درگیری لباس در قسمت های غلتشی جلوگیری کند و نباید هیچ چیز اضافی را روی دستگاه قرار دهد.
- اگر صدا یا سایر ناهنجاریها در حین استفاده رخ داد، فوراً متوقف شده و بررسی کنید.
- نگهداری و مراقبت منظم (یک بار در هفته)، اجتناب از پاشیدن آب یا هر گونه مایع و جعبه های کنترل الکترونیکی یا سایر قطعات الکتریکی هنگام تمیز کردن دستگاه.
- لطفاً طبق رویه های عملیاتی معمولی کار کنید و سطح دستگاه را تمیز و مرتب نگه دارید.
دستگاه کپر برای انواع لوازم آرایشی، دارویی، دامپزشکی، آفت کش ها، روغن های روان کننده و سایر زمینه های صنعتی در فرآیند بسته بندی کاربرد دارد.





اصل و ویژگی های دستگاه درب شیشه ای:
- کنترل خودکار الکتریکی، پایدار است.
- با دستگاه تعیین موقعیت درپوش، استاندارد پوشش قفل شده، عملیات راحت است.
- قفل طیف گسترده ای را پوشش می دهد، می تواند اشکال مختلف مشخصات کلاه را بچرخاند.
- سرعت درپوش، زندان چرخش، به طور همزمان ممکن است با توجه به نیاز به تنظیم سفتی پیچیدن به عقب.


پارامترهای اساسی دستگاه درب شیشه های آرایشی و بهداشتی:

1. سر دربندی: 2 عدد رانندگی سروو موتور
2. ولتاژ: 220 ولت، 50/60 هرتز
3. قدرت: 3.0Kw
4. فشار هوا: 0.5--0.7Mpa
5. آمپر: 8.5 آمپر
6. سرعت: 40-45 / دقیقه (سفارشی با توجه به شکل و اندازه شیشه)
7. قطر محصول مناسب: درب φ28-φ125 میلی متر (سفارشی غیر استاندارد)
8. میزان عبور غده: ≥99.5٪ (بسته به خطای درب و بطری)
9. اندازه دستگاه: 3300 * 1150 میلی متر * 1908 میلی متر
10. وزن: 450 کیلوگرم
توضیحات قسمت میزبان


کلید برق: منبع تغذیه را روشن---خاموش کنترل کنید.
نشانگر پاور: روشن - چراغ سبز روشن، خاموش - چراغ سبز خاموش.
توقف اضطراری: برای توقف فوری دستگاه یا تنظیم مجدد عملکرد در زمان اضطراری یا خطا استفاده می شود.
1. فوتوالکتریک را شروع کنید: دستگاه در حال کار است، هنگامی که تشخیص فوتوالکتریک تشخیص دهد که یک بطری وجود دارد و یک درب دارد، صفحه گردان می تواند شروع به کار کند. اگر یکی از دو فوتوالکتریک تشخیص داده نشود، صفحه گردان نمی چرخد.
2. منشاء فوتوالکتریک: از آن برای کنترل موتور پله ای برای به حرکت درآوردن موقعیت صفحه گردان استفاده می شود، به طوری که بطری را می توان به آرامی در پوشش قرار داد.
3. فوتوالکتریکی درپوش: بررسی کنید که آیا پوشش در جای خود قرار دارد و از نظر فوتوالکتریک تشخیص دهید که یک صفحه گردان روکش برای چرخش وجود دارد.
4. فتوالکتریک پوششی: کنترل شروع و توقف دستگاه پوشش بالایی، هنگامی که پوشش ارائه شده توسط دستگاه پوشش بالایی به موقعیت شناسایی شده توسط فوتوالکتریک مرتب می شود، فتوالکتریک همیشه روشن است، دستگاه پوشش برای پوشش متوقف می شود و پوشش هوشمند اجرا می شود. .
5. فوتوالکتریک پوشش قفل: هنگامی که بطری با درب عبور می کند، تشخیص فوتوالکتریک تشخیص داده می شود و پوشش قفل با توجه به زمان تاخیر تنظیم شده فعال می شود (پارامترهای خاص با توجه به سرعت تسمه نقاله هنگام تنظیم دستگاه تنظیم می شوند).
6. سیستم پوشش قفل: بطری با درب یکسان است ، تاخیر شروع فوتوالکتریک ، تاخیر در بطری گیره سیلندر ، درپوش قفل پایین می آید ، درپوش دستگیره - درپوش پیچ - رها کردن دستگیره - درب قفل بالا می رود - بطری گیره شل می شود. و فرآیند درب قفل به پایان می رسد. در پوشش قفل، زمانی که پوشش قفل 1# در پوشش قفل قرار دارد، بطری دیگری وارد می شود. در این زمان استوانه بطری گیره 2# حرکت می کند و پوشش قفل 2# برای قفل کردن درب فعال می شود. پوشش قفل

توضیحات رابط انسان و ماشین

صفحه بوت
3.1 صفحه بوت دارای انتخاب عملکرد انگلیسی، چینی است، اگر دکمه چینی را انتخاب کنید، رابط زیر را وارد کنید:

رابط دوم
توقف: سوئیچ شروع کل دستگاه، این کلید را لمس کنید، دستگاه در حالت خودکار کار می کند، دوباره این کلید را لمس کنید، دستگاه کار نمی کند.
دروازه آزمون: عملکرد دستگاه را تست کنید.
سرعت چرخان: هرچه پارامتر سرعت بیشتر باشد، سرعت بیشتر است، پارامتر سرعت کندتر است. (اما حداکثر محدودیت وجود دارد).
تاخیر صفحه گردان: صفحه گردان تنظیمات زمان راه اندازی، مطابق با صفحه گردان در حال اجرا اثر صاف به مجموعه.
تاخیر در پوشش: پس از میز چرخان به ایستگاه تعیین شده، زمان انتظار، درپوش عمل سیلندر را به تاخیر بیاندازید.
زمان بستن: زمان لازم برای آب بندی سیلندر.
خروجی: رکورد تعداد پوشش قفل، تعداد تولید راحت را تکمیل کنید. برای پاک کردن، کلید ریست را فشار دهید.
X1. X3. X14: بررسی کنید که آیا فوتوالکتریک در حالت کار انعکاس است یا خیر، به راحتی می توانید عملکرد دستگاه را ببینید.
پارامتر دربندی: این کلید را فشار دهید و وارد رابط زیر شوید:

رابط صفحه پارامتری است که برای هر عمل سر قفل 1 # در سیستم پوشش قفل سروو تنظیم می شود، تنظیم معقول پارامترها برای پایداری دستگاه و بهبود کارایی مفید است.
بازگشت: این دکمه را فشار دهید تا به رابط دوم بازگردید.
I/O: این دکمه را فشار دهید تا وارد رابط زیر شوید:

نقاط سری X: آیا نقطه ورودی برای تشخیص اینکه آیا فوتوالکتریک در حالت کار قرار دارد، عملکرد دستگاه آسان است، تعمیر و نگهداری آسان است.
نکات سری Y: آیا نقطه خروجی از اجزای اجرایی از حالت عادی بازخورد، همچنین می توانید به صورت دستی کلید کنترل را فشار دهید تا آزمایش کنید که آیا اجزای اجرایی نرمال هستند یا خیر.
سیستم تغذیه کلاهکی: می تواند با توجه به جهت تعیین شده برای پوشش پایدار و منظم باشد.
تنظیم شیب: زاویه معقول را می توان تنظیم کرد تا درب معکوس به داخل اسلاید صعود نکند.
تنظیم مبدل فرکانس: کنترل سرعت پوشش


تعمیر و نگهداری تجهیزات درپوش شیشه:
1. برای اطمینان از ایمنی، دستگاه را در شرایط خاموش و گاز خاموش نگه دارید. دستگاه را تمیز و مرتب نگه دارید، بدون چیزهای مختلف روی دستگاه، بدون وسایل کوچک، لوازم جانبی، پیچ و مهره و غیره نگهداری کنید.
2. و روغن روان کننده به طور منظم بر روی مکانیسم قسمت متحرک اضافه می شود تا از عملکرد خوب مکانیزم اطمینان حاصل شود.
3. به طور منظم آب را از واحد فیلتر هوا خارج کنید و روغن روان کننده را برای اطمینان از استفاده صحیح از سیلندر و افزایش عمر مفید اضافه کنید.
4. دستگاه را مرتباً بررسی و تعمیر کنید. وضعیت عملکرد تجهیزات را از طریق بینایی و گوش قضاوت کنید تا مطمئن شوید که دستگاه به خوبی کار می کند.
توجه: لطفا استفاده کنید و مطابق با دستورالعمل ها نگهداری کنید، باز کردن و جدا کردن دوره گارانتی به شدت ممنوع است، در غیر این صورت آسیب ناشی از این به عنوان آسیب انسانی، بدون تعمیر رایگان است. این دستورالعمل بدون اطلاع قبلی ممکن است تغییر کند. اگر هنوز در مورد عملکرد این دستگاه ابهامی وجود دارد، لطفاً در هر زمان برای پرس و جو با ما تماس بگیرید
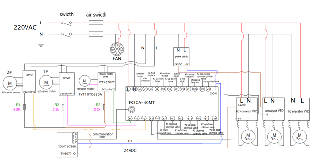
شماتیک برق پیوست شده:

درپوش های مهر و موم شده تمام شده نمونه هایی از دستگاه درب شیشه ها را می گیرند:





علائم: برای اینکه ظروف مشکی مربعی شکل به دلیل درپوشها مستعد خراشیدن هستند، با سیستم جمعآوری طراحی شده است تا درپوشهای شیشهها را از سینیها بیرون آورده و در ایستگاه آماده درببندی برای فرآیند بستن درب قرار دهد. اصل کار دقیق به شرح زیر نشان داده شده است: فرآیند کار:
1. قرار دادن دستی درپوش ها در سینی (15*15 یا 10*10)

2. قرار دادن سینی ها در ایستگاه آماده وانت
3. روبات ها کوزه ها را جمع می کنند

4. قرار دادن بطری ها و پایان فرآیند درب بندی
5. خروجی شیشه های درپوش دار











