
- ماشین لباسشویی بطری های شیشه ای VK-BR
- دستگاه پرکن روغن VK-PF 4 سر
- دستگاه درب وکیوم VK-VC
- دستگاه لیبل زن بطری های گرد VK-RPL
خط پر کردن تمام اتوماتیک را می توان با توجه به نیاز مشتری و نمونه های ارائه شده توسط خریدار سفارشی کرد. همانطور که در زیر اطلاعات اولیه برای این خط پرکن تمام اتوماتیک برای صنایع غذایی ذکر شده است:
بطری های شیشه ای تجهیزات شستشوی هوا وکیوم ماشین لباسشویی
این یک ماشین شستشوی اتوماتیک بطری با هوا است. ظرفیت بستگی به نازل های شستشوی هوا دارد.
کمپرسور هوا هوا را در داخل ظرف خلاء حمل می کند، گاز را از طریق شیر برقی و ژنراتور یون خالص می شود، شامپو گاز نای گاز را از طریق دهان شوینده گاز به بطری ها می دمد، با فشار گاز از دهان شستشوی گاز خارج می شود. از طریق کنترل انتشار گازهای زائد تخلیه شده از نای به خارج.

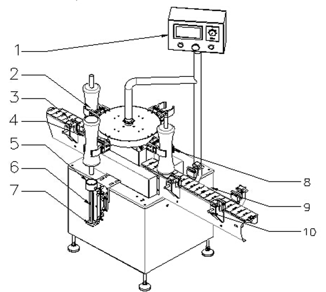
| 1 | کنترل پنل | 2 | بطری ها |
| 3 | کمربند برای بطری های تغذیه | 4 | سنسور برای تغذیه بطری |
| 5 | ساختار تثبیت بطری | 6 | تزریق آبکشی |
| 7 | تویر الکترواستاتیک | 8 | نقطه تثبیت بطری ها |
| 9 | کمربند برای خروجی بطری | 10 | نوار راهنما |
پارامتر اصلی ماشین لباسشویی هوای چرخشی اتوماتیک برای بطری های شیشه ای:

مدل: VK-BR
مناسب برای بطری: 20-1000 میلی لیتر
ظرفیت تولید: 8 نازل تمیز کننده: 3600 ~ 4800bh
محدوده فشار هوا: 6 ~ 8 کیلوگرم / سانتی متر مربع
مصرف هوا: 25 متر مکعب در ساعت
منبع تغذیه: 220 ولت 50/60 هرتز
مصرف برق: 0.75 کیلووات
صدای تک ماشین: ≤70dB
هوای تصفیه شده: 0.2μm
زمان تمیز کردن: 3 تا 5 ثانیه
وزن خالص: 350 کیلوگرم
ابعاد کلی: 1200 × 800 × 1600 میلی متر
دستگاه روغن پرکن 4 سر پرکننده خطی

دستگاه پرکن زیتون 4 سر، که توسط میکرو کامپیوتر کنترل می شود، فوتوالکتریکی را با عملکرد پنوماتیک ترکیب می کند، بنابراین به طور گسترده برای پر کردن مایع مواد شیمیایی کشاورزی، محلول، مواد شوینده مایع، لوازم آرایشی و همچنین زیتون استفاده می شود.
حجم پر کردن دقیق، بدون کف و پایدار است. این دستگاه می تواند مایع را با محدوده 25-1000 میلی لیتر پر کند، در عین حال هیچ نیاز خاصی برای شکل بطری ها وجود ندارد. یعنی می تواند مایع را برای بطری های معمولی و همچنین بطری های ارگولا شکل پر کند.

مدل: VK-PF
محدوده پر کردن: 50 تا 3000 میلی لیتر
سرعت پر کردن: <20-30b/m (برای 500-1000 میلی لیتر مایع)
دقت: ± 1%
برق/تغذیه: 0.8 کیلووات، 220 ولت
فشار کاری: 5 تا 6 کیلوگرم بر سانتی متر مکعب
مصرف هوا: 0.5-0.7mpa
NW: 500 کیلوگرم
ابعاد بیرونی: 2000×800×1900 میلی متر
علامت گذاری کنید: نازل های پرکننده را می توان با توجه به نیاز مشتریان در محدوده پر کردن و سرعت پر کردن طراحی و تولید کرد.
تجهیزات درپوش خلاء خطی Vk-Vc Jars Capper:
این دستگاه دربندی خطی توسط شرکت ما با سالها تجربه تحقیق و توسعه یافته است و در داخل کشور بی نظیر است. تنظیم خودکار درپوش با پوشش، درپوش خلاء.
استفاده از پمپ خلاء دستی برای دستیابی به خلاء بالا. با عملکرد بدون بطری بدون پوشش، هشدار دهنده هنگامی که هیچ درپوشی در دسترس نیست. از اتوماسیون بالا لذت برد. قطعات اصلی پنوماتیک و برقی از برندهای معروف دنیا می باشد.
با عملکرد پایدار و قابل اعتماد. این به طور گسترده ای برای درپوش خلاء شیشه های شیشه ای با درپوش آهنی در صنایع کنسرو، نوشیدنی، چاشنی، محصولات مراقبت های بهداشتی و غیره استفاده می شود.

قدرت: ≤2.3KW (شامل پمپ خلاء)
ظرفیت تولید: 50-60BPM
قطر درپوش: 30-55 میلی متر 50-85 میلی متر
ارتفاع بطری: 80-250 میلی متر
قطر بطری: 30 تا 85 میلی متر
حداکثر خلاء: -0.08MPa
پیچش درپوش: 5-20N.M
مصرف هوا: 0.6M3/0.7Mpa
ابعاد دستگاه: حدود 3000×1000×1900 میلی متر
وزن: حدود 850 کیلوگرم
دستگاه لیبل زن بطری های گرد Vk-Rpl

کاربرد: به سطح محیطی برچسب یا محصول چسبیده به غشاء نیاز است.
صنعت: به طور گسترده ای در صنایع غذایی، پزشکی، آرایشی، آرایشی، الکترونیک، فلز، پلاستیک و سایر صنایع استفاده می شود.
کاربرد: برچسب زدن بطری های گرد PET، برچسب زدن بطری های پلاستیکی، مواد غذایی کنسرو شده و غیره.

طول برچسب مناسب (mm): 20mm ~ 314mm
عرض برچسب قابل اجرا (عرض کاغذ پشتی / میلی متر): 15 میلی متر ~ 150 میلی متر
قطر محصولات قابل اجرا (برای بطری گرد) و ارتفاع: قطر: φ25 میلی متر ~ φ100 میلی متر
ارتفاع: 25 تا 230 میلی متر
قطر رول استاندارد قابل اجرا (mm): φ280mm
قطر رول استاندارد قابل اجرا (mm): φ76mm
دقت برچسب زدن (mm): ± 1mm
سرعت استاندارد (متر در دقیقه): سروو: 5 ~ 25 متر در دقیقه پله: 5 تا 19 متر در دقیقه
سرعت برچسب زدن (تک / دقیقه): گام: 30 تا 80 عدد در دقیقه (با بطری و اندازه برچسب)
سروو: 40 تا 120 عدد در دقیقه
سرعت نوار نقاله (متر / دقیقه): 5 تا 25 متر در دقیقه
وزن (کیلوگرم): حدود 185 کیلوگرم
فرکانس (HZ): 50HZ ولتاژ (V): 220V
توان (وات): 530 وات (استپر کششی) 980 وات (سروی کششی)
ابعاد دستگاه (mm) (L × W × H): 1950mm × 1100mm × 1300mm


بسته بندی جعبه چوبی:

خدمات پس از فروش برای پر کردن خط

ما کیفیت قطعات اصلی را در مدت 12 ماه تضمین می کنیم. اگر قطعات اصلی بدون فاکتورهای مصنوعی در عرض یک سال دچار مشکل شوند، ما به صورت رایگان آنها را تهیه کرده یا برای شما نگهداری می کنیم. پس از گذشت یک سال در صورت نیاز به تعویض قطعات، ما بهترین قیمت را در اختیار شما قرار می دهیم یا آن را در سایت شما نگهداری می کنیم. هر زمان که سؤال فنی در استفاده از آن داشتید، ما آزادانه تمام تلاش خود را برای حمایت از شما انجام خواهیم داد.
تضمین کیفیت:
سازنده تضمین می کند که کالا از بهترین مواد سازنده، با کیفیت کار درجه یک، کاملا نو، استفاده نشده و از هر نظر مطابق با کیفیت، مشخصات و عملکرد مندرج در این قرارداد باشد. دوره تضمین کیفیت ظرف 12 ماه از تاریخ B/L است.
سازنده دستگاه های طرف قرارداد را در دوره تضمین کیفیت به صورت رایگان تعمیر می کند.
اگر خرابی ممکن است به دلیل استفاده نادرست یا دلایل دیگر توسط خریدار باشد، سازنده هزینه قطعات تعمیر را دریافت می کند.
نصب و رفع اشکال:
فروشنده مهندسان خود را برای آموزش نصب و اشکال زدایی می فرستد. هزینه به عهده خریدار خواهد بود (بلیط پرواز رفت و برگشت، هزینه اقامت در کشور خریدار). خریدار باید به سایت خود برای نصب و رفع اشکال کمک کند.









